了解更多泰科納動態和行(háng)業新聞
無數工程師的痛點(diǎn),天天對著堆積如山的機械圖紙發愁:明天就(jiù)要交付的檢測報告還(hái)沒開始做,手動標注的氣泡圖已經(jīng)被改得麵目全非,而客戶剛剛(gāng)又發來了最新(xīn)版圖紙......這樣的...
查看詳(xiáng)情
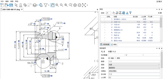
在製造業的數字化轉型(xíng)浪潮中,圖紙的標注和識別一直是(shì)質量(liàng)管理和生產流程(chéng)中的關鍵環節。傳統(tǒng)的圖紙(zhǐ)標注方式不僅耗時費力,而且容易出錯,特別是在處理複雜的機械圖紙時,這...
查看詳情
在製造業等眾多(duō)領域,質檢工作(zuò)猶如產品質量(liàng)的“守門人”,其重要(yào)性不言而喻。然而,傳統質檢方式中,依靠紙(zhǐ)質圖紙(zhǐ)和檢(jiǎn)驗單,質檢員手持紙筆,對產品的各項數據進行(háng)逐一(yī)測量...
查看詳情
新年伊始泰科納技術創始人兼CEO潘謙榮幸地登(dēng)上了新年第一期《中國新聞報》民營周刊衷心感謝中國新聞網的(de)采訪和報道力德測(cè)量執行董事(shì)、泰(tài)科納技術創始人兼CEO潘謙本科畢(bì)業後...
查看詳情
易力(lì)思氣泡圖軟件在處理複雜圖紙時,其準確(què)率和可(kě)追溯性方麵具有明顯優勢,以下是具體的幾個(gè)方麵:1、高效率:與傳(chuán)統人工標注相比,易力思氣泡圖軟件(jiàn)的效率提升了10倍以(yǐ)上...
查(chá)看詳情(qíng)


企業公眾號

業(yè)務谘詢企業微信
地址:北京市海澱區馬甸東路19號2層(céng)211
郵箱:office@sdczyyxx.com
© Copyright 2022-2023 版(bǎn)權所有 北京泰科納技術有限公司 京(jīng)ICP備2022026084號